产品中心
解决方案
联系利记SBO·(中国)官方
深圳市利记SBO伺服控制技术有限公司
电话:13316379101
邮箱:1355229533@qq.com
地址:深圳市龙华区民治街道樟坑社区青创城A栋B502
57mm三相步进

型号:57mm
名称:57mm三相步进
简介:
57mm系列三相混合式步进电机,基于业界先进的磁路设计方案。在选材上,采用耐高温永磁体和优质冷轧钢片制造,选用日本NMB或NSK轴承,电机表面经喷塑或铝壳密封处理。
- 规格参数
- 产品特点
- 产品尺寸图
- 匹配产品
- 应用领域
- 资料下载

| 项目 | 技术参数 |
| 步距角 | 1.2° |
| 步距角精度 | ±5%(整步,空载) |
| 电阻精度 | ±10%(@20°) |
| 电感精度 | ±20%( 1KHz) |
| 温升 | 80℃Max.(额定电流,2相通电) |
| 环境温度 | -20°~ + 50℃ |
| 绝缘电阻 | 100MΩMin.500VDC |
| 耐压 | 500VAC一分钟 |
| 径向间隙 | 0.2mmMax.(450g负载) |
| 轴向间隙 | 0.8 mmMax.(450g负载) |
| 径向最大负载 | 75N(距法兰面20mm) |
| 罪行重大负载 | 15N |
型号参数:
| 型号 | 步距角 (度) | 额定电压(V) | 额定电流 (A) | 相电阻 (Ω) | 相电感 (mH) | 保持转矩 (N.M) | 转子惯量 (g.c㎡) | 机身长 (mm) | 轴径 (mm) | 引线数 |
| 573S05 | 1.2 | 6.76 | 5.2 | 13 | 1.4 | 0.45 | 110 | 42 | 6 | 6 |
| 573S09 | 1.2 | 4 | 5.6 | 0.77 | 1.8 | 0.9 | 300 | 56 | 6OR8 | 6 |
| 573S15 | 1.2 | 6 | 6.8 | 1.05 | 2.4 | 1.5 | 480 | 79 | 8 | 6 |
57mm三相步进电机该系列步进电机具有输出转矩大、低温升、低噪声、低振动的特点,可靠性和稳定性高。电机运行平稳,无明显的振荡区,可满足自动化行业不同工况的使用。
●双极性 1.2°
●机座号:57
●保持转矩:0.45~1.50N.M
●输出转矩大 ,高转速
●电机发热小,噪音低,效率高
●高速停止平稳快速,无零速振荡运行平稳,振动噪声小
●响应速度快,适合频繁启停的场合
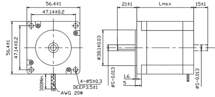
57mm三相步进电机外形尺寸图:

57mm三相步进电机接线方式
57mm三相步进电机
- 上一篇:86mm三相混合式步进
- 下一篇:没有了!
相关产品:两相步进电机
相关产品:无刷电机
相关产品:两相步进驱动器
相关产品:产品中心




























地址 ADDRESS